- Главная
- Электрощиты в сборе
- Щит автоматического ввода резерва, Щит АВР, Шкаф АВР
- Шкаф АВР 2000А 3 ввода IP54 с секционным автоматом Бюджетный (комплектующие IEK и ESQ)
Просто отправьте нам запрос на info@snab-electro.com или звоните +7 (812) 920-81-62
И мы пришлем предложение через 1 день!
Собираем ШУН, ШУД, ШУЗ, ГРЩ, ВРУ, РУНН, КТП, ШВВ, ЩСУ
Купить Шкаф АВР 2000А 3 ввода IP54 с секционным автоматом Бюджетный (комплектующие IEK и ESQ)
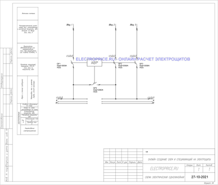
Для обеспечения аварийного питания цепи освещения и силового отключения важно установить щит автоматического ввода резерва (АВР). Это устройство позволяет подключаться к двум независимым источникам питания и автоматически переключаться между ними, если один из источников напряжения отключен. Щит АВР незаменим для эффективной эксплуатации электросети, гарантируя ее эффективную работу.
Наш интернет-магазин предлагает широкий ассортимент моделей электрооборудования, предоставляя возможность купить щит АВР от производителя. В зависимости от индивидуальных предпочтений, требований к мощности линии электросети, а также индивидуальных особенностей каждого объекта у нас можно выбрать шкаф автоматического ввода резерва АВР по выгодной цене.
Щиты АВР в СПб в ассортименте
Представленный нашим каталогом шкаф АВР представляет собой комплексное устройство, предназначенное для обеспечения надежной работы электрической сети, если на основном вводе отсутствует достаточный уровень напряжения. Это устройство выполняет функции аварийной сигнализации и защиты, что делает его незаменимым компонентом при аварийной работе электросистемы.
Выбирая щиты АВР в СПб, важно обратить внимание на их функциональность для уверенности в эффективности использования. Шкафы АВР бывают различной конструкции: напольные и навесные. Правильный выбор модели зависит от нужного напряжения и номинала коммутации тока, что обеспечивает надежность и эффективность эксплуатации. Уникальная конструкция щитов позволяет легко получить доступ ко всем компонентам, включая сложную установку, демонтаж и обслуживание.
Почему важно установить щит АВР?
• Для постоянного мониторинга напряжения в электрической цепи источников энергии.
• Для сравнения текущего напряжения с различными значениями для отклонений от стандарта.
• Для контроля правильности чередования фаз в источниках электропитания (основной и резервный).
• Для автоматического переключения на резервный источник питания при отсутствии напряжения в источнике питания менее чем за 1 секунду.
• Для восстановления аварийной схемы питания с учетом заданных параметров после восстановления основного источника.
• Для возможности отказа от использования как основного, так и резервного источника энергии.
• Для визуального контроля напряжения на входах.
Каждый щит АВР имеет свои особенности, поэтому выбор функции должен быть индивидуальным, с учетом заданных параметров.
Купить щиты АВР в СПб по выгодной цене
Вне зависимости от того, что стоимость на каждую модель щита АВР формируется индивидуально, в зависимости от его параметров, типа конструкции и материалов, наша компания предлагает наиболее конкурентные и честные цены на весь ассортимент, что дает возможность выбрать наиболее подходящее решение на выгодных условиях.
Если вы ищете качественное и надежное оборудование, наш интернет-магазин предлагает большой выбор шкафов АВР от производителя. Это отличная возможность приобрести надежное оборудование с гарантией, без ущерба собственному бюджету.
Щиты автоматического ввода резерва АВР, которые представлены в интернет-магазине «Снаб-Электро», обеспечат простое, надежное и безопасное управление вашими приводами и электродвигателями. Приемлемый разброс цен и широкий ассортимент позволят вам подобрать требуемый вариант воздушных автоматических выключателей.
Проектирование, монтаж и сборка ШАВР
Это как раз то, чем занимается компания «АСПР ГРУПП». У нас можно купить готовые стандартные щиты ШАВР в СПб, заказать нестандартные по вашему проекту или создать проект с нуля. Благодаря собственному производству и сборке ШАВР, ШУН, ШУЗ, ШПЧ, ГРЩ, ВРУ, силовых шкафов и других видов НКУ мы можем предложить клиентам в Санкт-Петербурге очень привлекательные цены. Кроме того, наши специалисты проводят подключение ШАВР и дальнейшее регулярное техническое обслуживание и ремонт. Наш опыт – ваше преимущество.
Услуга по сборке ШАВР: Перейти
Проекты и дополнительная информация о сборке ШАВР: Перейти
Статьи о шкафах ШАВР: Читать
