- Главная
- Электрощиты в сборе
- Шкаф управления КНС (ШУ КНС)
- Шкаф управления КНС 7.5 кВт 2 насоса с АВР Плавный пуск
Просто отправьте нам запрос на info@snab-electro.com или звоните +7 (812) 920-81-62
И мы пришлем предложение через 1 день!
Собираем ШУН, ШУД, ШУЗ, ГРЩ, ВРУ, РУНН, КТП, ШВВ, ЩСУ
Купить Шкаф управления КНС 7.5 кВт 2 насоса с АВР Плавный пуск
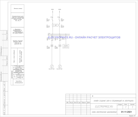
Шкаф управления канализационными насосными станциями (ШУ КНС) представляет собой ключевой элемент системы автоматизации и управления насосным оборудованием. Этот специализированный шкаф управления КНС обеспечивает как автоматизированное, так и ручное управление механизмами канализационной системы, независимо от их конфигурации. Благодаря своей роли в повышении эффективности и надежности работы насосов, ШУ КНС является незаменимым в эксплуатации насосного оборудования, гарантируя безопасную и эффективную работу системы.
Представленный в нашем ассортименте шкаф управления ШУ КНС позволяет организовать эффективную и максимально безопасную работу системы, тем самым сделав ее эксплуатацию еще более эффективной. К тому же, мы предлагаем своим клиентам индивидуальное проектирование ШУ КНС, что позволяет получить оборудование, полностью отвечающее заданным требованиям в эксплуатации.
Шкафы управления ШУ КНС
Современные шкафы управления КНС включают в себя различные компоненты, такие как программируемые логические контроллеры (ПЛК), частотные преобразователи, реле, пускатели и автоматические выключатели. Эти элементы обеспечивают не только минимальное участие в управлении насосами, но и защиту от перегрузок и аварийных ситуаций, тем самым максимально увеличивая надежность и обеспечение системы.
В ассортименте нашей компании представлены шкафы управления КНС в различных исполнениях — напольном и навесном, с односторонним и двухсторонним доступом для обслуживания. Это разнообразие позволяет легко адаптировать устройство к условиям эксплуатации и упростить процесс его обслуживания. Каждый ШУ КНС из нашего каталога включает в себя высококачественные компоненты, что гарантирует эффективность и надежность использования.
Функциональные возможности шкафа управления насосами КНС значительно расширяются благодаря использованию программируемых контроллеров. Эти устройства определяют:
• Встроенную защиту электродвигателей и цепей.
• Возможность как ручного, так и автоматического управления.
• Автоматическое отключение насосов при неисправностях, перегрузках и ошибках.
• Мониторинг и контроль состояния каждого компонента системы.
• Сигналы усиления нарушений работы системы и других проблем, связанных с производительностью.
• Равномерное распределение износа электродвигателей.
• Плавный запуск и остановку насосов с помощью устройства плавного пуска и частотных преобразователей.
• Регулярное тестирование насосов для предотвращения их заклинивания в периоды простоя.
• Автоматическое переключение питания с основным входом на резервный при необходимости.
• Климат-контроль для наружных шкафов, обеспечивающий их надежную работу в различных условиях окружающей среды.
Наша компания предлагает своим клиентам полностью укомплектованные шкафы управления КНС, что значительно упрощает их установку и обслуживание. Это надежные и практичные решения от производителя, обеспечивающие эффективность работы и минимизирующие риски возникновения аварийных ситуаций в системе.
Шкафы управления КНС, которые представлены в интернет-магазине «Снаб-Электро», обеспечат простое, надежное и безопасное управление вашими приводами и электродвигателями. Приемлемый разброс цен и широкий ассортимент позволят вам подобрать требуемый вариант воздушных автоматических выключателей.
Проектирование, монтаж и сборка ШУ КНС в СПб
Это как раз то, чем занимается компания «АСПР ГРУПП». У нас можно купить готовые стандартные ШУ КНС в СПб, заказать нестандартные по вашему проекту или создать проект с нуля. Благодаря собственному производству и сборке ШУ КНС, ШАВР, ШУН, ШУЗ, ШПЧ, ГРЩ, силовых шкафов и других видов НКУ мы можем предложить клиентам в Санкт-Петербурге очень привлекательные цены. Кроме того, наши специалисты проводят подключение ШУ КНС и дальнейшее регулярное техническое обслуживание и ремонт. Наш опыт – ваше преимущество.
Услуга по сборке ШУ КНС: Перейти
Проекты и дополнительная информация о сборке ШУ КНС: Перейти
Статьи о шкафах ШУ КНС: Читать
