- Главная
- Электрощиты в сборе
- Шкаф управления насосами ШУН
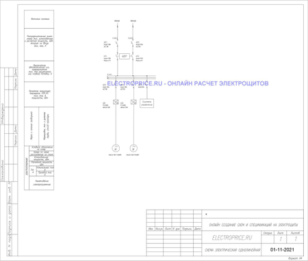
- Шкаф управления 2 насосами ШУН 3 кВт с АВР Преобразователь частоты
Просто отправьте нам запрос на info@snab-electro.com или звоните +7 (812) 920-81-62
И мы пришлем предложение через 1 день!
Собираем ШУН, ШУД, ШУЗ, ГРЩ, ВРУ, РУНН, КТП, ШВВ, ЩСУ
Шкаф управления 2 насосами ШУН 3 кВт с АВР Преобразователь частоты Schneider Electric
Шкаф управления насосом (ШУН), или щит управления насосом (ЩУН) – это смонтированная в едином корпусе электроаппаратура, которая обеспечивает:
- пуск и остановку электромотора насоса;
- управление самим насосом, вручную или автоматически;
- индикацию состояния устройства;
- сигнализацию о неисправностях.

Насосы используются повсеместно, и в быту, и в промышленности. Это скважины на воду (артезианские скважины), насосы в гидроаккумуляторах, поддерживающих напор воды в трубах, циркуляционные насосы в системах отопления и котельных, дренажные насосы и насосы КНС и множество других. Сколько существует насосов, столько же и устройств управления ими.
Как и сами насосы, шкафы управления могут быть разных размеров, иногда это даже просто панель управления. Как правило, ШУН располагается внутри помещения, но есть и варианты для наружной установки с соответствующей степенью защиты.
Что внутри
«Начинка» шкафа управления насосами, его принципиальная электрическая схема может быть простой, а может – самой современной, с частотным преобразователем и возможностью контроля через интернет. В одном шкафу может быть собрано управление 2, 3, 4 насосами.

На входе обязательно стоят устройства защиты.
Задача, решаемая оборудованием управления мощного электромотора при старте – ограничение пускового тока. Она может быть решена разными путями. Радикальный способ – это установка частотного преобразователя, или инвертора. Кроме этой функции, инвертор может плавно управлять производительностью насоса, позволяя перейти из режима работы «старт-стоп» в экономичный режим непрерывной работы.
Автоматика управляет насосом, удерживая в заданных пределах какой-либо параметр – уровень жидкости или давление.
Цена вопроса
Главный параметр, который в значительной мере определяет цену шкафа управления – это мощность подключаемого насоса. Шкаф управления двумя насосами будет стоить дешевле двух отдельных. Самый дорогой (для одинаковой мощности) – шкаф с частотным управлением насосом, но по своим возможностям и экономичности он существенно превосходит обыкновенные модели.
Все дороги ведут к нам
Компания «АСПР ГРУПП» уже много лет проектирует, производит, продаёт и обслуживает широкий ассортимент электрощитового оборудования, включая различные ШУН. Обратившись к нам, вы скорее всего найдёте уже готовый шкаф, подходящий для ваших насосов. Если нет – мы можем быстро переделать имеющуюся модель под ваши потребности, или даже создать всё с нуля. Менеджеры «АСПР ГРУПП» предложат вам монтаж, пуско-наладку и последующее обслуживание нашей продукции – это залог долгой и безаварийной работы оборудования.
Проектирование, монтаж и сборка ШУН в СПб
Это как раз то, чем занимается компания «АСПР ГРУПП». У нас можно купить готовые стандартные ШУН в СПб, заказать нестандартные по вашему проекту или создать проект с нуля. Благодаря собственному производству и сборке ШУ насосами ШУН, ШАВР, ШУН, ШУЗ, ШПЧ, ГРЩ, силовых шкафов и других видов НКУ мы можем предложить клиентам в Санкт-Петербурге очень привлекательные цены. Кроме того, наши специалисты проводят подключение ШУ насосами ШУН и дальнейшее регулярное техническое обслуживание и ремонт. Наш опыт – ваше преимущество.
Услуга по сборке ШУН: Перейти
Проекты и дополнительня информация о сборке ШУН: Перейти
Статьи о шкафах ШУН:Читать
